南方CHL16-20水泵口徑是多少
日期:2020/1/13 13:40:41 | 人氣:574 | TAG
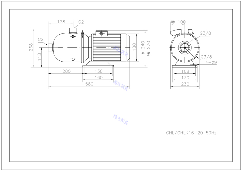
CHL16-20LSWSC 臥式多級離心泵,內螺紋接口,380V電壓,50hz,304材質,常溫型。橫向進水,縱向出水,進出口口徑都為2寸(也就是50管)




抽水泵抽出水變小了,但水井里的水位高?為什么會這樣?
原因有很多,除了觀察出水量,你還可以結合電流判斷現在的水泵是否正常工作。
1、水泵有可能堵住了,所以現在出水變小。
2、泵現在是反轉,剛開始的時候由于液位高,所以出水還夠,慢慢的液位下降,出水就不夠了
3、泵的揚程太低,剛開始液位高,抽水正常。慢慢的抽水液位下降,泵的揚程不夠,所以出水流量變小。


